Riba Grossa
DATOS
Ref: 02-095 / 02-096
2 edificios en Riba Grossa
Dirección: el Forn (Ver en el mapa)
Localización : Canillo
EQUIPO
Promotor: Vimunt, S.L.
Arquitectura: Elisabet FAURA PAVIA
Estructura: GET BEAL DESCRIPCIÓN
Categoría: Vivienda plurifamiliar
Año inicio: 2002
Año final: 2005
Usos: Aparcamiento y viviendas
Alturas estructura: -1 / +4
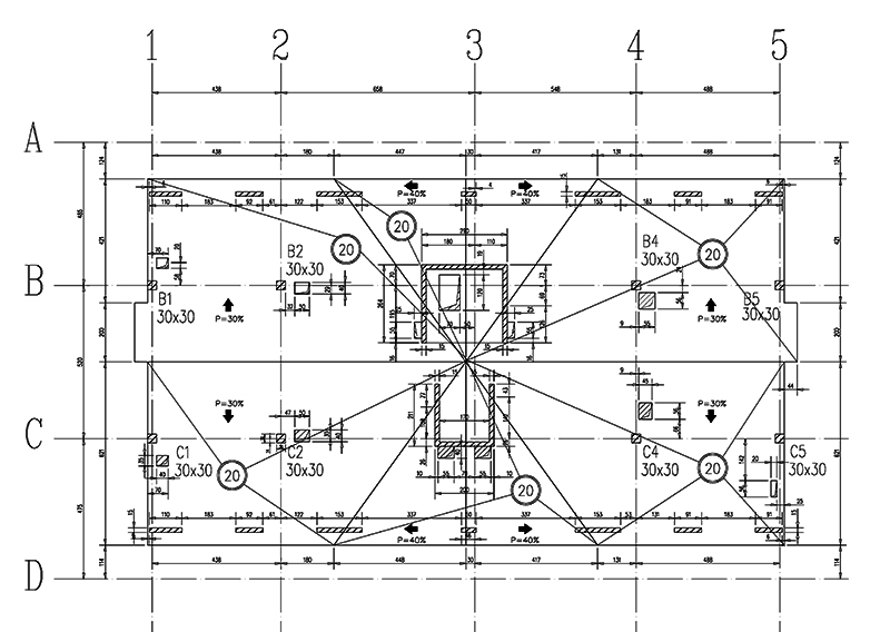
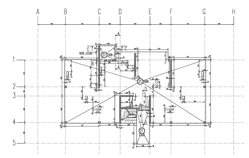
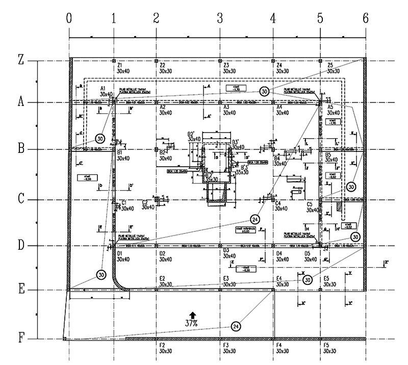
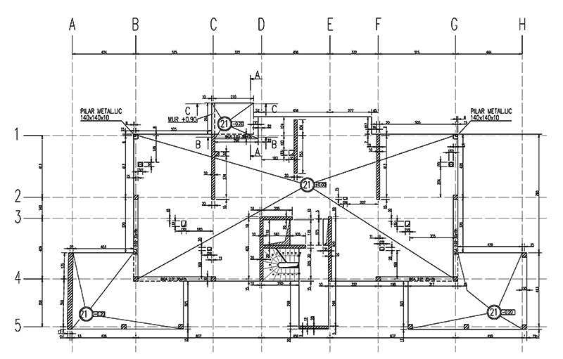
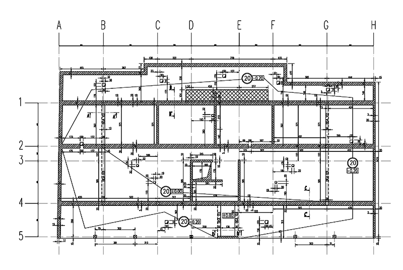
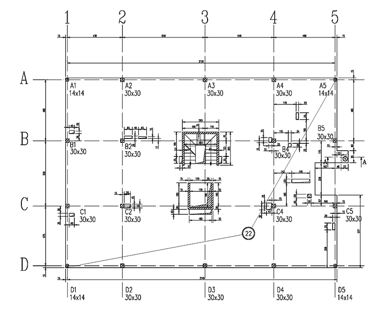
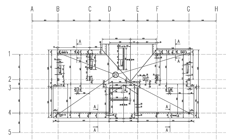
ESTRUCTURA
Superficie construida estructura: 5.980m2
Cimentación: superficial
Estructura: hormigón armado

