Estació ESSO
DADES
Ref: 03-122
Estació de servei ESSO
Adreça: Ctra. General 1 (Veure al mapa)
Localització : Sant Julià de Lòria
EQUIP
Promotor: ARAP, S.A.
Arquitectura: Elisabet FAURA PAVIA, Gerard VECIANA MEMBRADO
Estructura: GET BEAL DESCRIPCIÓ
Categoria: Comercial
Any inici: 2003
Any final: 2003
Usos: Estació de servei
Alçades estructura: 0 / +2
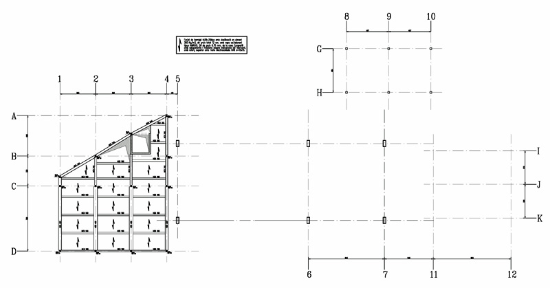
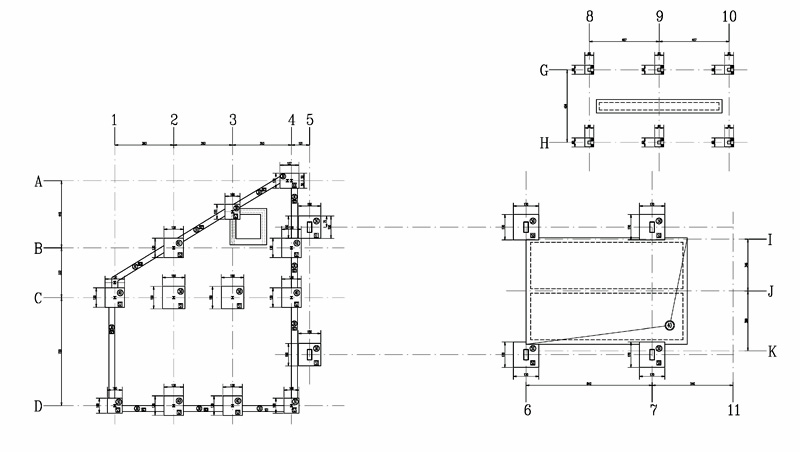
ESTRUCTURA
Superfície construida estructura: 1.305m2
Fonaments: superficials
Estructura: acer

